안녕하세요. 채재현입니다.
아래와 같이 답변 드립니다.
1. 답변
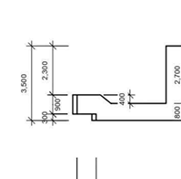
공개문제에서는 교대 본체의 편경사 적용 방식으로 특별한 제시된 내용이 없어 전면, 뒷면 보이드 처리할 수 있습니다.
만약 문제에서 Revit 파라메트릭 매개변수 설정을 요구한다면, 교재에서 설명한 것처럼 프로파일 기반의 수식 연계 방식을 이용할 수 있습니다.
또한, 패밀리 부재의 요소별 작성, 이름 지정, 카테고리 분류 등의 기준이 제시되어 있다면, 이를 정확히 준수하여 작성하시기 바랍니다. 실기시험에서는 제시된 요구사항을 그대로 반영하여 작성하시는 것을 권장드립니다.
2. 답변
Revit에서는 카테고리가 서로 다르면 일람표(스케줄)는 각각 별도로 산출됩니다. 이 경우, 부재별로 각각의 일람표를 작성한 후 .csv 또는 .txt 파일 형식으로 개별 내보내기를 할 수 있습니다.
내보낸 여러 개의 파일은 엑셀에서 불러와 하나의 파일로 통합한 뒤, 최종적으로 수량산출서.xlsx로 편집할 수 있습니다. 텍스트 파일도 통합이 필요할 경우, 각 내용을 하나의 .txt 파일에 붙여넣기 하여 통합해 주시면 됩니다.
참고로 다중 카테고리 일람표를 사용하면 여러 카테고리의 객체를 한 번에 표시할 수 있는 장점이 있지만, 체적 필드가 표시되지 않습니다. 따라서 체적 정보를 포함해야 한다면, 구조기둥, 구조프레임, 구조기초, 일반모델 등 카테고리별로 개별 일람표를 만들어야 합니다.
다만, 문제에서 “하나의 일람표” 또는 “재료 일람표”로 제출하도록 요구하는 경우에는, 아래 이미지와 같이 재료 일람표를 활용하시기 바랍니다.
재료일람표는 객체에 사용된 재료를 기준으로 체적, 면적 등 물량을 산출할 수 있습니다. 객체들에 재료 정보가 제대로 지정되어 있다면, 재료일람표를 이용해 다중 카테고리로도 재료 기준으로 체적을 산출할 수 있습니다. 이경우 '재료 체적' 필드를 추가하시기 바랍니다.

